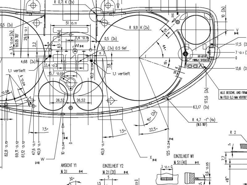
2D-Konstruktion und Skizzen
Erstellen Sie Skizzen oder normgerechte 2D-Konstruktionen mit DIN-/ ISO-Zeichnungsrahmen, Bemaßungen, Form- und Lagetoleranzen, Oberflächensymbolen, Detailansichten, Schraubverbindungen, Wälzlagern, Federn und mehr. Erstellen Sie 2D-Symbolbibliotheken oder wählen Sie Symbole aus einer der vielen Standardbibliotheken (elektronische, hydraulische, Stahlprofile usw.) aus.
3D-Konstruktion und Modellierung
Die 3D-Modellierung nutzt Volumen-, Flächen- und Maschen-Daten. Grundfunktionen wie z.B. die Konstruktion von Regel-, Rotations- oder Extrusions-Körpern sowie Sweeping, Skinning u.a. werden ergänzt durch die flexible, direkte Modellierung (Flächen-Offset, -Neigen, -Verschieben, -Drehen) an Volumenmodellen einschließlich importierten STEP-, SAT-, oder IGES-Modellen.
Blech und Stahlprofile
Erzeugung von Blechkomponenten einschließlich Flanschen und HEM-Doppelflanschen (Kontrolle über Länge, Winkel, Biegeradius, Flanschposition). Automatisches und manuelles Erstellung von Blechecken mit der Generierung von abgewickelte 2D-Blech-Profilen aus K-Faktor-Werten. Ebenfalls enthalten sind Stahlprofilen für die Erstellung von 2D-/ 3D-DIN / ISO und benutzerdefinierten Rahmen (z. B. DIN 1024/1025) inklusive automatischer Eckengehrungen.




